
EN
— 產品中心 —
全國服務電話 075528990558 地址:深圳市龍崗區南聯向銀路71號匯川科技園華鵬艾偉大廈A棟
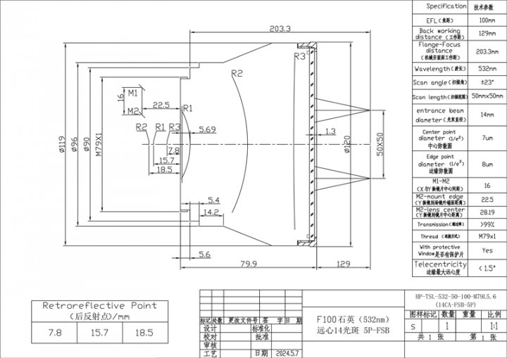
高功率激光場鏡是應用于高功率激光焊接、激光切割等領域,高功率石英焊接場鏡可承受3KW到6KW的高能量連續激光,全視場內滿足平場要求,像質達到衍射極限。高功率F-theta場鏡可減少……
產品詳情
高功率石英焊接場鏡1080nm-20光斑SilicaA應用于高功率激光焊接、激光切割等領域,高功率石英焊接場鏡可承受3KW到6KW的高能量連續激光,全視場內滿足平場要求,像質達到衍射極限。高功率F-theta場鏡可減少高功率、短脈沖激光產生的熱偏移現象,用于更高損傷閾值。華鵬艾偉提供高功率焊接場鏡銷售,歡迎咨詢。
石英焊接場鏡1080nm-20光斑SilicaA
| 商品編碼 | 商品名稱 | 規格型號 | 計量單位 |
| D11.001 | 全石英場鏡 WD=224 (20CA) | HP-透1080+480-110-170-Fused Silica A | 個 |
| D11.002 | 全石英場鏡 WD=271 (20CA) | HP-透1080+480-150-210-Fused Silica A | 個 |
| D11.003 | 全石英場鏡 WD=318 (20CA) | HP-透1080+480-175-254-Fused Silica A | 個 |
| D11.004 | 全石英場鏡 WD=397 (20CA) | HP-透1080+480-220-330-Fused Silica A | 個 |
| D11.005 | 全石英場鏡 WD=480 (20CA) | HP-透1080+480-300-420-Fused Silica A | 個 |
| D11.006 | 全石英場鏡 WD=560 (20CA) | HP-透1080+480-360-500-Fused Silica A | 個 |
| D11.007 | 全石英場鏡 WD=648 (20CA) | HP-透1080+480-400-580-Fused Silica A | 個 |
| D11.008 | 全石英場鏡 WD=988 (20CA) | HP-透1080+480-600-900-Fused Silica A | 個 |
| D11.009 | 全石英場鏡 WD=2021 (20CA) | HP-透1080+480-1350-1900-Fused Silica A | 個 |
| D11.010 | 石英場鏡 Silica A (水冷20CA) | HP-1064-110-170-Fused Silica A | 個 |
| D11.011 | 石英場鏡 Silica A (水冷20CA) | HP-1064-150-210-Fused Silica A | 個 |
| D11.012 | 石英場鏡 Silica A (水冷20CA) | HP-1064-175-254-Fused Silica A | 個 |
| D11.013 | 石英場鏡 Silica A (水冷20CA) | HP-1064-220-330-Fused Silica A | 個 |
以上只是高功率石英焊接場鏡20光斑簡單介紹,如需要更詳細的高功率石英焊接場鏡20光斑資料信息,請聯系華鵬艾偉對應銷售人員。
上一篇:405nm紫光場鏡 激光打標場鏡
相關推薦
華鵬艾偉是一家專業的激光打標機配件、激光焊接機配件、激光切割機配件等激光全套配件綜合解決方案品牌供應商和批發商!
地址:深圳市龍崗區南聯向銀路71號匯川科技園華鵬艾偉大廈A棟 TEL:0755-28990558